• info@trinergy-tech.com
  • +966 13 8479873
  • PO 9236, Salman Al Farisi St. Khaldiyyah Al Janubiyyah, Dammam, Saudi Arabia
TrienergyEnglish

Projects

5 Years Automation Service Contract with N.G/SEC

  • Client:

    National Grid SA (Grid Maintenance Sector SCADA-EAST Division)

Brief Scope is as follows, Replacement, Integration, Testing & Commissioning of following existing Systems in the live Substation- Network- Voltage Level is from 132kv to 380 KV Substations

  • SCADA RTU
  • SOER System
  • DSM System

SEC Approved make of Automation Systems involved in this scope of work which are GE , ABB, Microsol, Telegyr (L&G) and Digsilent systems.

image

DSM & DFR System - Tesla 4000 Power System Monitor & Recorder

N.G /SEC Transmission Network is having major challenge to reliably accommodate increasing amounts of non dispatchable resources while maintaining operational efficiency and system-wide cost. To enhance the Network reliability SEC decided to install a DSM & DFR systems in their HV 380KV) Network for Power System Analysis.

Trinergy has been offering Tesla 4000 DSM system for ERL Phase Power Technologies –Canada to address mentioned requirements.

TESLA 4000 Multi-timeframe Power System Monitor and Recorder measures and improves system reliability by:

  • Identifying and monitoring power system performance.
  • Verifying and correcting protection and control system deficiencies.
  • Monitoring individual equipment performance.

Trinergy take care complete scope of work from Engineering Design to the Testing & Commissioning and Master station Integration.

image
image

SCADA Special Servises - ABQAIQ Plant (Saudi Aramco KSA)

  • Client:

    Saudi Aramco (EPC)

RTU Communication is freezing with Dahran SCADA Master station and plant data is not reporting until RTU power resets. This issues was there for a period of 2 yrs.

Trinergy analyses all the communication between RTU, DCS, IED’s Meters etc and identified that there is a Communication Design issue between DCS and RTU data exchange.

Proposed minor modification on the Design and implemented the solution and the issue was resolved.

image
image

Abqaiq Plant - History & Resolution

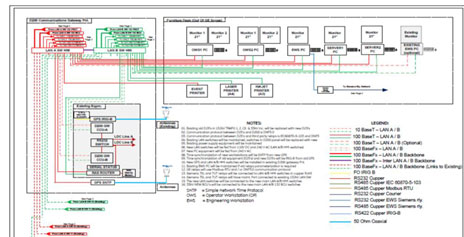
The reason for this issue is DCS Inputs ( DI points) are driven by RTU as a Control points to update Sub#50 data in the DCS systems. Issue was resolved by establishing Separate Communication links between DPU to RTU for Master and Slave communication as shown in below drawing,

  • In One Link, RTU will act as a Master to DPU and will collect DPU data (Sub-90) to send to SCADA Master station (Dhahran).
  • In the 2nd Link, RTU will act as a Slave and will respond to DPU requests to send the data ( SUB #50 –Two RTU’s data) DPU.
image

After implementing the mentioned solution RTU is not freeze for the last 2 years period.


Automation - Upgradation Servises

  • Client:

    SIEMENS / Aluminium Bahrain (ALBA)

As part of Line -6 expansion scope, Siemens build new 220kv and 33KV Substation in ALBA premises to enhance Electrical Network . All the existing substations Electrical Network has enhanced with the mentioned changes. To accommodate these changes all existing Automation systems were upgraded and Integrated into the New OSII SCADA System.

Complete Automation Upgradation scope for all the existing stations was carried by Trinergy Technologies in additional to the New SCADA Master station Installation works.

Following works were carried by Trinergy under this scope

  • Design, Manufacturing, Installation, Testing & Commissioning of GE D20 RTU & SCADA LV Pannels.
  • Integration of existing RTU’s & BCU’s with New OSII SCADA Master, without disturbing existing GE SCADA Master.
  • Integration of Switch House-6 two new Rectiformer bays BCU’s with SCS SCADA & new SCADA Master, Testing & commissioning.
  • Installation, Testing, commissioning of Remote work stations.
  • Installation, Testing & Commissioning of Weather Station.
  • Installation of Ethernet switches in Ring Bus Network and Communication Establishment with SCS SCADA & OSI SCADA Master.
  • Establishment of Time Synchronization to all the Remote substation systems.
  • Installation of SCADA Master station and establishment of Remote work stations.
image
image

ISCS- Integrated Substation Control System

Oman Electricity & Transmission Company (OETC)

  • Client:

    GE, OETC

GE Signed a contract with OETC in Oman: JBBA 132/33/11kV for Integrated substation control system (ISCS). This was the first project to include SCS and Protection from GE, consisting of refurbishment of 132kV station in a brown field environment. Trinergy carried Complete ISCS site activities on behalf of GE for said project and got an appreciation from GE for Quality of works performed.

Trinergy carried Design engineering, installation supervision, T&C and SAT for mentioned project.

image

The main challenge was that we needed to design a method to replace an existing SCS with a new one, in a series of successive partial shutdowns of the station, in order to maintain the continuity in the supply in the whole Sharqiya region, south of Oman.

Deliverables:

  • Establishment of Communication and Integration with the SCS of the GE and third party protection relays (32 nos.)
  • Integration of the new system with 33&11kV D25’s old BCU’s, which were not changed
  • Integration of the entire Substation with GE D200 Gateway without effecting existing database
  • Integration, Testing & Commissioning of New SCS system with OETC SCADA Master staion
  • Replacement of the HMI hardware and software with new PowerLink Advantage HMI, based on the DNP3.0 communication protocol (same as existing)
  • Replacement of 12 nos. D25 BCU’s in 132kV station and 33kV Trafo incomers
  • Replacement of LAN switches, fiber optic, installation of a new GPS
  • Integration of the new system with 33&11kV D25’s old BCU’s, which were not changed
image
image